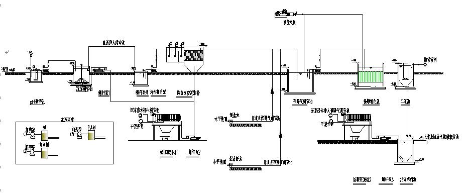
各种废水处理技术工艺流程
现如今,环境保护已越来越得到人们的重视了,各类环保行为也进行的如火如荟。今天龙铁鼓风机(上海)有限公司(huaianhulan.com)的小编与您分享下各类废水处理技术工艺流程,觉得有用的就赶紧收藏吧!
电镀废水处理技术工艺流程
淀粉废水处理技术工艺流程
果汁废水处理技术工艺流程
含铅废水处理技术工艺流程
合成革废水处理技术工艺流程
化工废水处理技术工艺流程
化纤废水处理技术工艺流程
焦化废水处理技术工艺流程

酒精废水处理技术工艺流程

垃圾渗透液废水处理技术工艺流程

磷化废水处理技术工艺流程

农药废水处理技术工艺流程

啤酒废水处理技术工艺流程
生活废水处理技术工艺流程

印染废水处理技术工艺流程
制药废水处理技术工艺流程

屠宰废水处理技术工艺流程
以上内容就是由专做罗茨风机的龙铁鼓风机(上海)有限公司(huaianhulan.com)原创,转载请注明出处。
同类文章排行
- 曝气对溶解氧的影响及优化策略
- 龙铁罗茨鼓风机:污水处理行业的得力助手
- 龙铁三叶罗茨鼓风机厂商介绍
- 龙铁沉水罗茨风机的价格和性价比
- 龙铁风机在河道治理中的节能减排优势展示
- 曝气增氧设备全攻略,为河道治理保驾护航
- 满意度百分百!罗茨风机集中供料,服务安心放心!
- 磁力般的曝气风机,让水质飞跃升华!
- 选购三叶罗茨风机时,型号怎么选
- 龙铁罗茨风机与其他罗茨风机的区别
最新资讯文章
您的浏览历史
登录
在线收藏
网站地图
联系龙铁






















